Home
»
automatic star delta starter connection diagram
»
fully automatic star delta starter connection diagram
»
fully automatic star delta starter diagram
»
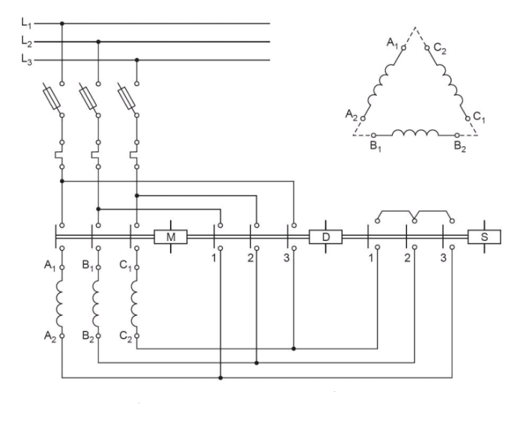
semi automatic star delta starter connection diagram
»
semi automatic star delta starter diagram
» Semi Automatic Star Delta Starter Connection Diagram
Saturday, June 13, 2020
Subscribe to:
Post Comments (Atom)











0 comments:
Post a Comment